STM32
- STM32是ST公司基于ARM Cortex-M内核开发的32位微控制器
- STM32常应用在嵌入式领域,如智能车、无人机、机器人、无线通信、物联网、工业控制、娱乐电子产品等
- STM32功能强大、性能优异、片上资源丰富、功耗低,是一款经典的嵌入式微控制器

ARM
- ARM既指ARM公司,也指ARM处理器内核
- ARM公司是全球领先的半导体知识产权(IP)提供商,全世界超过95%的智能手机和平板电脑都采用ARM架构
- ARM公司设计ARM内核,半导体厂商完善内核周边电路并生产芯片

STM32F103C8T6

- 系列:主流系列STM32F1
- 内核:ARM Cortex-M3
- 主频:72MHz
- RAM:20K(SRAM)
- ROM:64K(Flash)
- 供电:2.0~3.6V(标准3.3V)
- 封装:LQFP48
片上资源/外设
| 英文缩写 | 名称 |
|---|---|
| NVIC | 嵌套向量中断控制器 |
| SysTick | 系统滴答定时器 |
| RCC | 复位和时钟控制 |
| GPIO | 通用IO口 |
| AFIO | 复用IO口 |
| EXTI | 外部中断 |
| TIM | 定时器 |
| ADC | 模数转换器 |
| DMA | 直接内存访问 |
| USART | 同步/异步串口通信 |
| I2C | I2C通信 |
| SPI | SPI通信 |
| CAN | CAN通信 |
| USB | USB通信 |
| RTC | 实时时钟 |
| CRC | CRC校验 |
| PWR | 电源控制 |
| BKP | 备份寄存器 |
| IWDG | 独立看门狗 |
| WWDG | 窗口看门狗 |
| DAC | 数模转换器 |
| SDIO | SD卡接口 |
| FSMC | 可变静态存储控制器 |
| USB OTG | USB主机接口 |
命名规则

引脚定义

引脚重映射
|
|
- 使用引脚重映射时,需要开启AFIO时钟
- 该代码禁用PA15和PB3的JTAG调试,重映射为TIM2
更多PinRemapConfig的相关内容:STM32F10xxx参考手册(中文).pdf 页码116/手册8.3
启动配置

最小系统电路

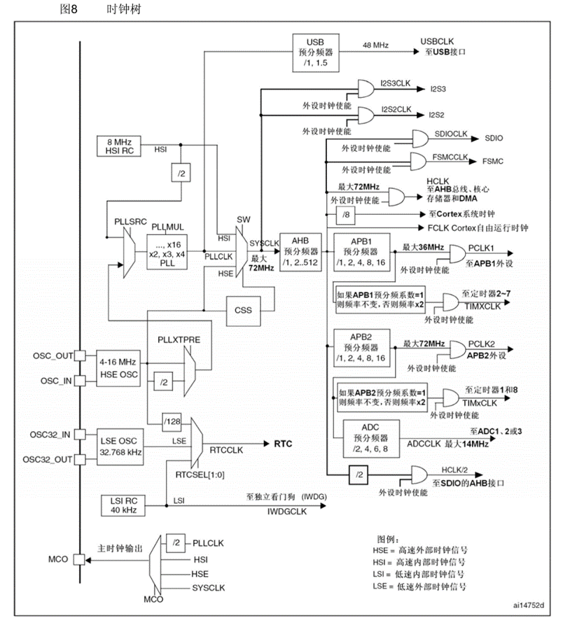
RCC时钟树
